Floating Point Precision

13 July 2015

The problem with numbers is they always look right.

If your DAQ card says that the temperature is 23.1 degrees, who are you to argue! All the way from the sensor to the screen, the quality of the information typically degrades as it is converted and recalculated.

One such source of degradation is rounding errors due to floating point precision.

Whilst floating point numbers look continuous this is not true, they have rounding errors too. I'm not going to dig into how they work too much here, there are plenty of resources on that (Wikipedia has more than I can bear to read right now!) however I want to talk about how the format trades off precision vs range.

LabVIEW helps us by using the double precision format by default which gives a precision to approximately 16 decimal figures vs the standard float in many languages which only gives around 7 decimal figures.

But as with everything, there is a cost. The double values weight in at 64 bits vs. the singles 32 bits which when your storing a lot of data comes at a cost. I had such a case recently where I wanted to store timestamps in as small a space as possible with sub-millisecond precision, so the question arose, can it fit in a single?

Machine Epsilon

The first thing you will find when you go searching for precision on floating point numbers is the mystical Machine Epsilon.

This represents the smallest change that a floating point number can represent, there is a LabVIEW constant for this.

Image of LabVIEW source code showing the machine epsilon constant returning 2.22E-16

Machine Epsilon in LabVIEW

This describes the best possible precision however it can be worse. Floating point numbers represent numbers as a combination of a significand and exponent (like scientific notation at school i.e. 5.2 x 10^5) which allows it to trade off range vs precision (hence the floating point), this means as the size of the number increases, the precision reduces.

For my example, this was particularly important as timestamps in a floating point format are extremely large values (seconds since 1904) which means they lose precision. Which makes this piece of code, break the laws of maths:

LabVIEW code showing adding machine epsilon to an DBL timestamp and it still returns that it is equal

Timestamp with Machine Epsilon

So I went in hunt of a definition of how precise these numbers are, which was surprisingly difficult! I think there are two reason why this doesn't appear to be defined in many places:

  1. Maybe it's just obvious to everyone else?
  2. A factor must be that the following formula makes assumptions about optimum representation, some numbers can be represented multiple ways which means that there is no single answer.

Eventually I came across a stack overflow question which covered this.

In essence the rules are:

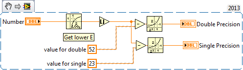
  1. For a given exponent, the error is all the same (i.e. if we are multiplying by 2^2, the smallest change for all numbers would be 4).
  2. The exponent is set by the size of the number (i.e. if the number is 6, the exponent should be 3 as that gives us the best precision).
  3. Knowing the size of the number we can work out the exponent, given the size of the floating point number and a given exponents we can work out the smallest change.

The maths in the post is based on a function available in MATLAB that gives us the epsilon (eps) value for a given number. Translated into LabVIEW, looks like this:

LabVIEW source code showing precision calculation for a given value

Calculate Epsilon

With this I could see the answer to my problem, resolution of time as singles is abysmal!

Screen showing a LabVIEW timestamp which is 3.5E+9 and the precision is 4E-7 as a double or 256 seconds for a single precision value

Real Timestamp Precision